VK HMI

Logiciel d'interface homme-machine convivial et intuitif.

Description du produit

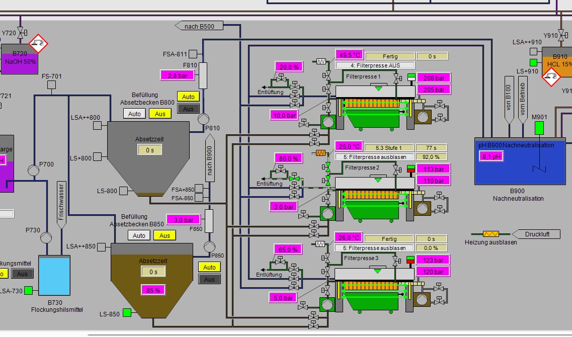
Logiciel de supervision pour le contrôle de procédé, offrant une Interface Homme Machine conviviale et intuitive. Basé sur une technologie Client/Server, le logiciel VK HMI® fonctionne sur toutes les versions de Windows, y compris Windows 11.

Fonctionnalités :

  • Communication serveur OPC, Ethernet, Profibus, etc...
  • Synoptiques
  • Scripts
  • Alarmes et Messages
  • Courbes de tendance
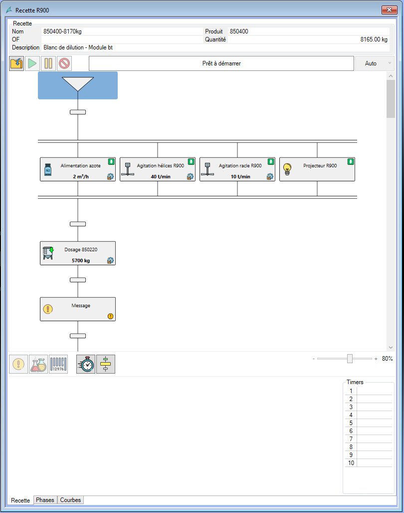
  • Rapport de production
  • Module batch (en option)

Fonctionnalités Clés

  • Communication OPC Server
  • Synoptiques & Scripts
  • Alarmes et messages
  • Vues de tendance & Rapports
  • Interface conviviale
  • Compatible Windows

Produits Connexes

VK QuickView FPL
Logiciel IHM

VK QuickView FPL

Logiciel de visualisation et de contrôle client/serveur pour les machines de galvanoplastie.

En Savoir Plus
VK QuickView FCL/Optima
Logiciel IHM

VK QuickView FCL/Optima

Logiciel de visualisation et de contrôle pour les machines de nettoyage industriel.

En Savoir Plus
VK Touch HMI
Logiciel IHM

VK Touch HMI

Logiciel de surveillance de contrôle de processus pour applications tactiles.

En Savoir Plus